microscope reviews digital microscope reviews usb microscope reviews celestron microscope reviews stereo microscope reviews amscope microscope reviews kids microscope reviews celestron lcd digital microscope reviews student microscope reviews
Saturday, December 31, 2022
[40+] Wuling Wiring Diagram Dsl, Patent US20110158641 - Subchannel Photonic Routing, Switching And
Wuling Wiring Diagram Dsl Best Optical Config With Router, Switch And Etherregen
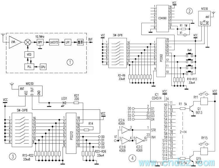
Phase locked loop secondary frequency conversion wireless transceiver. Geoffroy lumay's personal web page. Best optical config with router, switch and etherregen
wuling wiring diagram dsl
Download PDF
[21+] Xiaomi Fimi X8 Se 2020 Pdf, Xiaomi FIMI X8 SE 2020 NEW Drone - Where To Buy? Compare Deals
Xiaomi Fimi X8 Se 2020 Manual Pdf Xiaomi Fimi X8 Se 2020 New Drone
X8 fimi. Xiaomi fimi x8 se 2020 new drone. Fimi x8 se latest firmware : fimi x8se 2020 : during a firmware update
xiaomi fimi x8 se 2020 manual pdf
Download PDF
Subscribe to:
Comments (Atom)







![[Download 22+] Electrical Wiring Diagram Questions](https://static-cdn.imageservice.cloud/199331/xv1700-wiring-diagram-basic-electronics-wiring-diagram.jpg)





























